Led denne svietenie
Moderátoři: Blue Lanos, Scorpion.11, lomngi
Re: Led denne svietenie
U nás není přepínač on-off
je to furt on 
Aby zlo zvítězilo, stačí, když slušní lidé nedělají nic.
Edmund Burke
[color=#FF0000]Chevrolet Aveo 1,4, 101hp, 74 kw [/color]
Edmund Burke
[color=#FF0000]Chevrolet Aveo 1,4, 101hp, 74 kw [/color]
- Reklama
- Scorpion.11
- Příspěvky: 6284
- Registrován: úte kvě 19, 2009 14:36
- Bydliště: Městys Jedovnice
Re: Led denne svietenie
No hold lepší auta už to přepínání mají 
AVEO, 1.4 SEDAN STAR, 69KW, r.v 2008, koupeno (5/2009)
člen AVEO Fanclubu
člen AVEO Fanclubu
Re: Led denne svietenie
Jak to tedy dopadlo s tím odpojením denního svícení přes H4? Mě to opravdu vadí,
zkoušel jsem podle google vyndat pojistku u řidiče a nic. Další návody ukazují relé
DLR pod palubovkou u sloupku řízení, ale to u mne také není
Můj sedan 2010
je zřejmě jiný model (tedy již třetí způsob - neznámí).
Pavel
zkoušel jsem podle google vyndat pojistku u řidiče a nic. Další návody ukazují relé
DLR pod palubovkou u sloupku řízení, ale to u mne také není
je zřejmě jiný model (tedy již třetí způsob - neznámí).
Pavel
Aveo Sedan Sportline 1.4 16V 74kW r.v.2010
Re: Led denne svietenie
No já mám taky sedan 2010 jako ty, a DLR mám odpojený.
Bohužel nevím jak. Už jsem to takhle koupil. Pod palubovkou mám ustřihlí dva dráty a přepojený do přídavnejch LED DLR.
Ale když to tu někdo zkoušel přepojit podle toho jak to mám já tak mu zhasli všechny světla a měl problém to dát zpátky do kupy, tak nevím.
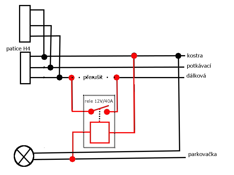
Pokud jsou na DLR použitý vlákna dálkovejch světel, tak by to mělo jít takhle:
(za předpokladu, že pokud jsou aktivní DLR tak parkovačka nesvítí)
Bohužel nevím jak. Už jsem to takhle koupil. Pod palubovkou mám ustřihlí dva dráty a přepojený do přídavnejch LED DLR.
Ale když to tu někdo zkoušel přepojit podle toho jak to mám já tak mu zhasli všechny světla a měl problém to dát zpátky do kupy, tak nevím.
Pokud jsou na DLR použitý vlákna dálkovejch světel, tak by to mělo jít takhle:
(za předpokladu, že pokud jsou aktivní DLR tak parkovačka nesvítí)
Hyundai Bayon 1.2DPi 58kW - 2024
Bylo:
Captiva 2,2VCDi LTZ 135kW - 2012 (4x4 - 7míst)
Chevrolet Aveo 1,4 74kW - 2010
Hyundai Santamo 2,0i 102kW - 1999 (4x4 - 7míst)
Bylo:
Captiva 2,2VCDi LTZ 135kW - 2012 (4x4 - 7míst)
Chevrolet Aveo 1,4 74kW - 2010
Hyundai Santamo 2,0i 102kW - 1999 (4x4 - 7míst)
Re: Led denne svietenie
Já tam mám bohužel nějaký automat, jak zapnu klíček, tak svítí parkovačky a když nastartuji
tak se k nim rozsvítí tlumené. Jsem s toho jelen... asi to opravdu bude v PC a to bude konec.
No uvidím zda na něco přijdu, ale zatím to vypadá bledě.... Na posledním autě mi to při mém
courání po městě ušetřilo min. 0,5 l benzínu na 100 km a to nepočítám opotřebení parabol a H4.
Dal bych si tam lepší H4, ale až to vypnu.
tak se k nim rozsvítí tlumené. Jsem s toho jelen... asi to opravdu bude v PC a to bude konec.
No uvidím zda na něco přijdu, ale zatím to vypadá bledě.... Na posledním autě mi to při mém
courání po městě ušetřilo min. 0,5 l benzínu na 100 km a to nepočítám opotřebení parabol a H4.
Dal bych si tam lepší H4, ale až to vypnu.
Aveo Sedan Sportline 1.4 16V 74kW r.v.2010
Re: Led denne svietenie
Som tiež na "čakacej" listine ako odpojiť automatiku.
Ja to mám tak,že:
Otočný spínač svetiel vľavo:
-otočím kľúčom a po naštartovaní sa zapnú stretávacie svetlá.
V tomto režime tzv.dennom,nesvieti podsvietenie /ovládanie na volante,kúrenie,klíma a pod./,nedajú sa zapnúť diaľkové svetlá /iba bliknutie/ a nedá sa zapnúť zadná hmlovka /predné nemám/.
Otočný spínač svetiel vpravo:
-otočím kľúčom a hneď sa zapnú stretávacie svetlá. Pri naštartovaní sa na 1s vypnú a opäť sa zapnú. V tomto režime tzv.nočnom,svieti podsvietenie /ovládanie na volante,kúrenie,klíma a pod./,dajú sa zapnúť diaľkové svetlá a dá sa zapnúť zadná hmlovka /predné nemám/.
Otočný spínač svetiel v strede:
-svietia parkovačky,stretávacie svetlá sa vypli.
Toto je jediná poloha,keď sa vypnú stretávacie svetlá a tak by som možno začal tu. Na VW fóre som čítal,že ak sa nedá vypnúť svietenie cez RJ pomocou VAG /diagnostika pre VW/,tak to robia cez spínač. Dal som to pozrieť dvom ľuďom,ale ani jeden nenašiel v mojej RJ kolónku svetlá,alebo osvetlenie. Do útrob ich RJ nevpustila...bez orig.programu to asi nepôjde.
Inak počas svietenia stretávacích svetiel,mi svietia aj parkovačky.
Nejako sa to deaktivovať musí dať,lebo je plno fotiek,kde na Aveo /píšem o T300-ke/ predávajú DRL svetlá a svieti im to.
Ďalší problém bude podľa mňa chybové hlásenie na palubovke,lebo Aveo takto reaguje na LED-ky,aj keď sú CANBUS...niekto musel vyskúšať z 10ks jednu,ktorá bola ok.
Ja to mám tak,že:
Otočný spínač svetiel vľavo:
-otočím kľúčom a po naštartovaní sa zapnú stretávacie svetlá.
V tomto režime tzv.dennom,nesvieti podsvietenie /ovládanie na volante,kúrenie,klíma a pod./,nedajú sa zapnúť diaľkové svetlá /iba bliknutie/ a nedá sa zapnúť zadná hmlovka /predné nemám/.
Otočný spínač svetiel vpravo:
-otočím kľúčom a hneď sa zapnú stretávacie svetlá. Pri naštartovaní sa na 1s vypnú a opäť sa zapnú. V tomto režime tzv.nočnom,svieti podsvietenie /ovládanie na volante,kúrenie,klíma a pod./,dajú sa zapnúť diaľkové svetlá a dá sa zapnúť zadná hmlovka /predné nemám/.
Otočný spínač svetiel v strede:
-svietia parkovačky,stretávacie svetlá sa vypli.
Toto je jediná poloha,keď sa vypnú stretávacie svetlá a tak by som možno začal tu. Na VW fóre som čítal,že ak sa nedá vypnúť svietenie cez RJ pomocou VAG /diagnostika pre VW/,tak to robia cez spínač. Dal som to pozrieť dvom ľuďom,ale ani jeden nenašiel v mojej RJ kolónku svetlá,alebo osvetlenie. Do útrob ich RJ nevpustila...bez orig.programu to asi nepôjde.
Inak počas svietenia stretávacích svetiel,mi svietia aj parkovačky.
Nejako sa to deaktivovať musí dať,lebo je plno fotiek,kde na Aveo /píšem o T300-ke/ predávajú DRL svetlá a svieti im to.
Ďalší problém bude podľa mňa chybové hlásenie na palubovke,lebo Aveo takto reaguje na LED-ky,aj keď sú CANBUS...niekto musel vyskúšať z 10ks jednu,ktorá bola ok.
Chevrolet AVEO LT, 1.2 63kW,2012 Borocay Blue
...v koži od MAD, DRL, kamera ... a ešte nie je koniec :)
...v koži od MAD, DRL, kamera ... a ešte nie je koniec :)
Re: Led denne svietenie
ako píšeš, nemusí to byť vôbec v RJ auta ale len prostredníctvom vypínača alebo to má svoj vlastný modul..
Aveo 1.4 16V 69Kw, sedan Šedá Metalíza -
výbava : čím ďalej tým lepšia :D
výbava : čím ďalej tým lepšia :D
Re: Led denne svietenie
Bol som v Chevy,nahrali obsah RJ a poslali do nemecka.
Nemci nesúhlasili s vypnutím,lebo u nás je povinné!
Moje auto!!! Nemec bude rozhodovať?
US,RUS,Ukraina fórum nepomohlo.
Napísal som centrále,ale nepomohlo.
V starom Aveu stačilo vytiahnúť modul s nejakým žltým označením. Čítal som to na nejakom fóre.
Podobnú som našiel v mojom aute pod palubovkou,ale nedá sa vytiahnúť. Kábel ide zo štartéra.
Čo to je?
Nemci nesúhlasili s vypnutím,lebo u nás je povinné!
Moje auto!!! Nemec bude rozhodovať?
US,RUS,Ukraina fórum nepomohlo.
Napísal som centrále,ale nepomohlo.
V starom Aveu stačilo vytiahnúť modul s nejakým žltým označením. Čítal som to na nejakom fóre.
Podobnú som našiel v mojom aute pod palubovkou,ale nedá sa vytiahnúť. Kábel ide zo štartéra.
Čo to je?
Chevrolet AVEO LT, 1.2 63kW,2012 Borocay Blue
...v koži od MAD, DRL, kamera ... a ešte nie je koniec :)
...v koži od MAD, DRL, kamera ... a ešte nie je koniec :)
Re: Led denne svietenie
DRL už namontované mám.
Chevrolet AVEO LT, 1.2 63kW,2012 Borocay Blue
...v koži od MAD, DRL, kamera ... a ešte nie je koniec :)
...v koži od MAD, DRL, kamera ... a ešte nie je koniec :)
Re: Led denne svietenie
Na starom vytiahnite tento konektor a hotovo.
Je pod palubovkou.
Je pod palubovkou.
Chevrolet AVEO LT, 1.2 63kW,2012 Borocay Blue
...v koži od MAD, DRL, kamera ... a ešte nie je koniec :)
...v koži od MAD, DRL, kamera ... a ešte nie je koniec :)
Re: Led denne svietenie
Nie,vyššie o tom píšem a už je to naozaj o nervy.
Predám celé auto za 1000 eur
Alebo zaplatím 1000 tomu,kto to vypne
Predám celé auto za 1000 eur
Alebo zaplatím 1000 tomu,kto to vypne
Chevrolet AVEO LT, 1.2 63kW,2012 Borocay Blue
...v koži od MAD, DRL, kamera ... a ešte nie je koniec :)
...v koži od MAD, DRL, kamera ... a ešte nie je koniec :)
Re: Led denne svietenie
okej zajtra som u teba

Aveo 1.4 16V 69Kw, sedan Šedá Metalíza -
výbava : čím ďalej tým lepšia :D
výbava : čím ďalej tým lepšia :D
Re: Led denne svietenie
podrobne mi pofoť káble pod palubkou a pozrieme sa nato , to čo si označil šipkou na druhej fotke je zapojene do čoho ?
Aveo 1.4 16V 69Kw, sedan Šedá Metalíza -
výbava : čím ďalej tým lepšia :D
výbava : čím ďalej tým lepšia :D