LED denné svietenie na cruze :)
Moderátor: Blue Lanos
Re: LED denné svietenie na cruze :)
ahoj kluci je to vse krasny, ale o hovne ! ma uz nekdo odstraneny automaticky zapnuti svetel po nastartovani?jsem elektrikar ,ale
bez kaskady relatek a diod udelame hovno! je nekdo dal, ostranil jste nekdo jednoduse tu automatiku?
dejte zpravu dik milan
bez kaskady relatek a diod udelame hovno! je nekdo dal, ostranil jste nekdo jednoduse tu automatiku?
dejte zpravu dik milan
- Reklama
Re: LED denné svietenie na cruze :)
No myslím že u Cruze to tak jednoduchý jak na Aveu nebude.
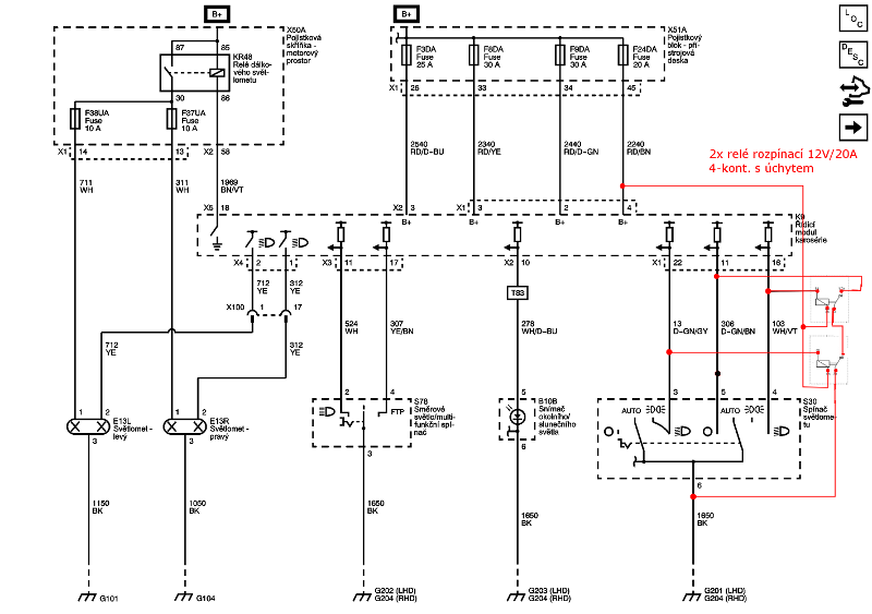
U Avea stačilo rozstřihnout dva dráty, ale u vás asi buďto přehrát soft. nebo něco podobnýho jako je na obrázku. ( popřípadě rozkuchat přepínač světel a proletovat tak aby poloha O a poloha auto byly propojené)
U Avea stačilo rozstřihnout dva dráty, ale u vás asi buďto přehrát soft. nebo něco podobnýho jako je na obrázku. ( popřípadě rozkuchat přepínač světel a proletovat tak aby poloha O a poloha auto byly propojené)
Hyundai Bayon 1.2DPi 58kW - 2024
Bylo:
Captiva 2,2VCDi LTZ 135kW - 2012 (4x4 - 7míst)
Chevrolet Aveo 1,4 74kW - 2010
Hyundai Santamo 2,0i 102kW - 1999 (4x4 - 7míst)
Bylo:
Captiva 2,2VCDi LTZ 135kW - 2012 (4x4 - 7míst)
Chevrolet Aveo 1,4 74kW - 2010
Hyundai Santamo 2,0i 102kW - 1999 (4x4 - 7míst)
Re: LED denné svietenie na cruze :)
Všechno by to mělo jít přes diagnostiku naprogramovat, takže může defakto svítit co chceš aby svítilo
Chevrolet new Aveo (sonic) Misty Lake
Re: LED denné svietenie na cruze :)
..jsem na tom stejně, nainstaloval jsem ledky a budu muset řešit se servisem vypnutí "automatiky"
Chevrolet CRUZE SW 1.8 LTZ - LPG
- Scorpion.11
- Příspěvky: 6278
- Registrován: úte kvě 19, 2009 14:36
- Bydliště: Městys Jedovnice
Re: LED denné svietenie na cruze :)
No to jsem velice zvědav jak pochodíš v servisu, ale spíše čítej s tým, že ti to neudělají, ale dej schválně vědět 
AVEO, 1.4 SEDAN STAR, 69KW, r.v 2008, koupeno (5/2009)
člen AVEO Fanclubu
člen AVEO Fanclubu
Re: LED denné svietenie na cruze :)
Proč by to neměli udělat? otázka 10 minut taková věc
Chevrolet new Aveo (sonic) Misty Lake
- Scorpion.11
- Příspěvky: 6278
- Registrován: úte kvě 19, 2009 14:36
- Bydliště: Městys Jedovnice
Re: LED denné svietenie na cruze :)
No na to musí být odborník i softwer s kterým to uděláš, ale pochybuji, že normální mechanik nemá možnost něco takového dělat 
AVEO, 1.4 SEDAN STAR, 69KW, r.v 2008, koupeno (5/2009)
člen AVEO Fanclubu
člen AVEO Fanclubu
Re: LED denné svietenie na cruze :)
slidil píše:No myslím že u Cruze to tak jednoduchý jak na Aveu nebude.
U Avea stačilo rozstřihnout dva dráty, ale u vás asi buďto přehrát soft. nebo něco podobnýho jako je na obrázku. ( popřípadě rozkuchat přepínač světel a proletovat tak aby poloha O a poloha auto byly propojené)
Nazdar
Ja mam aveo 1,4 16V 74kw a neviem ako vypnut to denne svietenie....
Mohol by si mi prosimta povedat ktore dva draty to treba strihnut aby mi to stale nesvietilo ? Diky
Chevrolet Aveo Sedan 2009 1.4 16V DOHC 74kw Motor F14D4 Ecotec
Re: LED denné svietenie na cruze :)
Cruzaci POZOR.
Mám človeka ktorý dokáže vypnúť na CRUZOCH automatické zapínanie denného svietenia a umožní montáž led denných svetiel
Prípade záujmu kotaktujte ma cez SZ a zašlem tel kontakt na toho človeka.a môžete sa sním osobne dohodnúť.po dohode je ochotný namontovať aj zapojiť nové led svetlá.
Mám človeka ktorý dokáže vypnúť na CRUZOCH automatické zapínanie denného svietenia a umožní montáž led denných svetiel
Prípade záujmu kotaktujte ma cez SZ a zašlem tel kontakt na toho človeka.a môžete sa sním osobne dohodnúť.po dohode je ochotný namontovať aj zapojiť nové led svetlá.
Aveo sedan 1.2 16 V
2DIN rádio -7" obrazovka, , cúvacia kamera,
handsfree, cúvacie senzory,
GPS, tmavé fólie, interier - Red and Black.
exterier podsvietený
Aveaci pridajte sa a rozšírte aveofanclubb
2DIN rádio -7" obrazovka, , cúvacia kamera,
handsfree, cúvacie senzory,
GPS, tmavé fólie, interier - Red and Black.
exterier podsvietený
Aveaci pridajte sa a rozšírte aveofanclubb
Kód: Vybrat vše
http://aveofanclub-sk.webnode.sk/o-nasRe: LED denné svietenie na cruze :)
Tak už zná někdo z Čech to tajemství vypnutí?
Re: LED denné svietenie na cruze :)
slidile, co robi tato schema ?
2011 Cruze HB 1,8 LTZ Silver Metalic + LPG Technology Gas/V-Lube
Re: LED denné svietenie na cruze :)
Teda kluci já se vás chci optat. Co vás vlastně vede k tomu, montovat LED denní svícení a vyřazovat automatiku? Už jezdím s cruzíkem 2 roky, /vlastně u Nubiry jsem si nechal namontovat automatiku již před 12 lety/nevšímám si ničeho a je to v pohodě. Jak budete řešit vjezd do tunelů atd. To honem budete zapínat světla ? Nebo vám to ušetří tolik benzínu? Nebo proč? Žárovky mám taky původní tak v tom to asi nebude 
Daewoo Nubira, Chevrolet Cruze 1.8LT, čtyřkolka SMC Jumbo R5
- Scorpion.11
- Příspěvky: 6278
- Registrován: úte kvě 19, 2009 14:36
- Bydliště: Městys Jedovnice
Re: LED denné svietenie na cruze :)
Jaroslave je to asi vše v jednom, ale s tým tunelem máš samozřejmě pravdu a asi spousta řidičů si to ani neuvědomí
Světla pro denní svícení zlepšují viditelnost vozidla zejména při jízdě proti slunci. Úspora elektrické energie a paliva, menší zatížení elektrické soustavy vozu a její opotřebování atd.
AVEO, 1.4 SEDAN STAR, 69KW, r.v 2008, koupeno (5/2009)
člen AVEO Fanclubu
člen AVEO Fanclubu
Re: LED denné svietenie na cruze :)
666: Co lidi vede dávat si led světla? tak se jim to líbí, taky se neptám co vede některé lidi prznit auta stylem tuning z benzinky a na kufru mít 3 prdele nálepek
a že těch tunelů u nás fakt je hodně 
Chevrolet new Aveo (sonic) Misty Lake
Re: LED denné svietenie na cruze :)
Řekl bych že, pokud se rozsvítí LED, tak zároveň (po žlutém drátu) pošlou napětí na relé, které vypne automatiku svícení v autě, jako když máš přepínač světěl v poloze "0" Takže by mělo být jedno jestli jsou světla na "0" nebo ma "AUTO". Ostatní funguje normálně.ta3s píše:slidile, co robi tato schema ?
Ale je to jen moje doměnka, informoval bych se tam, odkud si stáhnul obrázek.
Hyundai Bayon 1.2DPi 58kW - 2024
Bylo:
Captiva 2,2VCDi LTZ 135kW - 2012 (4x4 - 7míst)
Chevrolet Aveo 1,4 74kW - 2010
Hyundai Santamo 2,0i 102kW - 1999 (4x4 - 7míst)
Bylo:
Captiva 2,2VCDi LTZ 135kW - 2012 (4x4 - 7míst)
Chevrolet Aveo 1,4 74kW - 2010
Hyundai Santamo 2,0i 102kW - 1999 (4x4 - 7míst)
